Тахометр

Материал из ЭНЭ
Перейти к: навигация, поиск
Механический тахометр 9ЧП третьего Московского Часового Завода (3 МЧЗ), 1953 год.

Тахометр

— прибор, служащий для определения скорости вращения вала какого-либо механизма, напр. паровой машины. Обычный тип тахометра представляет механизм, совершенно подобный центробежному регулятору (см.). Ось регулятора приводится во вращение валом, скорость которого подвергается измерению; соединение оси с валом производится либо посредством маленьких шкивов и ремня (в неподвижных Т.), либо посредством притыкания заостренного конца оси к центрику, выбитому на оси вала (в ручных Т.). Чем скорее вращение вала и сцепленной с ним оси Т., тем больше расхождение шаров центробежного регулятора. Движение шаров посредством зубчатой рейки передается стрелке, движущейся по циферблату, замыкающему коробку, в которой скрыт регулятор. Положение стрелки на шкале указывает обыкновенно непосредственно число оборотов, совершаемых валом в одну минуту. Чем совершеннее тахометр, тем точнее и скорее показания стрелки следует за незначительными и быстро проходящими изменениями скорости вала. Иногда Т. снабжаются приспособлением, автоматически зачерчивающим на бумажной ленте изменения скорости вала; такие самозаписывающие Т. называются тахографами.

На совершенно ином принципе основаны тахометры Хорна (Horn) и Брауна. В первом из этих приборов полый медный цилиндр вращается со скоростью исследуемого вала между полюсами подковообразного магнита. Чем скорее вращение цилиндра, тем сильнее индуктируемые в нем при вращении его в магнитном поле токи. Эти токи в зависимости от силы их более или менее отклоняют небольшой железный якорь, помещенный внутри цилиндра. Движения якоря передаются стрелке, указывающей скорость вращения.

Тахометр Брауна предназначен для определения скорости вращения вертикальных валов и состоит из стеклянного цилиндра, одеваемого на конец вала. Цилиндр наполнен густой жидкостью, поверхность которой при вращении вала с цилиндром получает вид параболоида вращения, опущенного вершиной вниз. Параболоид получается тем более вытянутый и вершина его тем более низко опущена в трубке, чем быстрее вращение вала и цилиндра; по положению вершины параболоида на оси трубки можно судить о скорости вращения вала. Если вал горизонтальный, то вращение передается вертикальной трубке при помощи конического зацепления.

А. Г.

В статье воспроизведен материал из Большого энциклопедического словаря Брокгауза и Ефрона.

Рис. 1. Кинематическая схема механического центробежного тахометра: 1 — грузы; 2 — рычаги; 3 — скользящая муфта; 4 — вал; 5 — пружина.

Тахометр (от греч. táchos — быстрота, скорость и...метр), прибор для измерения частоты вращения валов машин и механизмов. Преимущественно применяются центробежные механические, магнитные и электрические тахометры, реже используются пневматические и гидравлические Т.

В механическом центробежном тахометре (рис. 1) на валу установлена скользящая муфта с шарнирными рычагами, несущими на себе расходящиеся при вращении вала грузы, которые перемещают муфту по валу, преодолевая действие уравновешивающей пружины. Положение муфты на валу тахометра соответствует частоте вращения вала и передаётся рычажной системой на стрелку указателя — отсчетного устройства, шкала которого отградуирована в об/мин. Вал тахометра может получать вращение непосредственно от контролируемого объекта либо через гибкий вал.

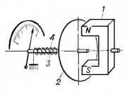
Рис. 2. Схема магнитного тахометра: 1 — постоянный магнит; 2 — ротор; 3 — ось со стрелкой; 4 — пружина.

В магнитном тахометре (рис. 2) взаимодействуют магнитные поля, создаваемые постоянным магнитом и вращающимся ротором, частота вращения которого пропорциональна возникающим вихревым токам, стремящимся отклонить на определённый угол диск, установленный на валу ротора и удерживаемый пружиной. Отклонения диска, жестко связанного со стрелкой, регистрируются на шкале. Электрические тахометры могут быть электромашинными или электронными. В электромашинном тахометре эдс генератора постоянного или переменного тока пропорциональна угловой скорости, измерив которую можно определить частоту вращения вала; показания передаются дистанционно на шкалу измерительного прибора. Принцип действия электронного тахометра основан на преобразовании импульсов тока, возникающих в первичной цепи системы зажигания при размыкании контактов прерывателя, в ток, направляемый к магнитоэлектрическому указательному прибору. Частота импульсов в первичной цепи пропорциональна частоте вращения вала двигателя.

А. А. Сабинин.

Эта статья или раздел использует текст Большой советской энциклопедии.

См. также

Не путать с тахеометром (геодезическим прибопром)!